Характеристики
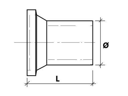
Диаметр труб D, мм
—
160
Давление, МПа
—
1.6
SDR
—
11
Плотность материала
—
100
В корзину
Купить в 1 клик
Самовывоз сегодня - бесплатно
Условия доставки
Условия доставки
Производитель имеет право без предварительного уведомления вносить изменения в изделие, которые не ухудшают его технические характеристики, а являются результатом работ по усовершенствованию его конструкции или технологии производства.
Бурты устанавливаются в комплексе со стальными фланцами для создания надежного соединения трубы из полиэтилена низкого давления (ПНД) со стальными элементами – трубой, задвижкой и т.д.
Применение:
Применение возможно в комплексе с электросварными муфтами, а также при сварке встык.
Используется для реализации фланцевого соединения с запорной арматурой у водопроводных и газовых труб;
- Материал бурта: полиэтилен высокой плотности 100 кг/м3;
- Максимальное давление: 1,6 МПа.
